0573-87091800,13806706736
0573-87097200,18967382628
掃一掃隨時與我們溝通
點擊查看543936570,807064489
點擊添加
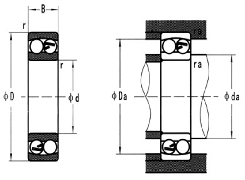
| 深溝球軸承尺寸表 | ||||||||
| 軸承型號 | 外形尺寸(mm) | 重量(kg)(參考) | ||||||
| d | D | B | r(最小) | ZrO2 | Si3N4 | plastic | SUS | |
| 683 | 3 | 7 | 2 | 0.1 | 0.00024 | 0.00013 | 0.00005 | 0.00032 |
| 693 | 8 | 3 | 0.15 | 0.0005 | 0.00025 | 0.0001 | 0.00061 | |
| 603 | 9 | 3 | 0.15 | 0.0007 | 0.0004 | 0.0002 | 0.00087 | |
| 623 | 10 | 4 | 0.15 | 0.0013 | 0.0007 | 0.0003 | 0.00165 | |
| 633 | 13 | 5 | 0.15 | 0.0025 | 0.0014 | 0.0006 | 0.0034 | |
| 684 | 4 | 9 | 2.5 | 0.1 | 0.0005 | 0.0003 | 0.0001 | 0.0006 |
| 694 | 11 | 4 | 0.15 | 0.0013 | 0.0007 | 0.0003 | 0.0017 | |
| 604 | 12 | 4 | 0.2 | 0.0017 | 0.0009 | 0.0004 | 0.0023 | |
| 624 | 13 | 5 | 0.2 | 0.0023 | 0.0013 | 0.0006 | 0.003 | |
| 634 | 16 | 5 | 0.3 | 0.004 | 0.0022 | 0.001 | 0.0052 | |
| 685 | 5 | 11 | 3 | 0.15 | 0.0009 | 0.0005 | 0.0002 | 0.0012 |
| 695 | 13 | 4 | 0.2 | 0.0019 | 0.001 | 0.0005 | 0.0025 | |
| 605 | 14 | 5 | 0.2 | 0.0027 | 0.0015 | 0.0007 | 0.0035 | |
| 625 | 16 | 5 | 0.3 | 0.0038 | 0.0021 | 0.001 | 0.005 | |
| 635 | 19 | 6 | 0.3 | 0.0066 | 0.0036 | 0.0016 | 0.0086 | |
| 686 | 6 | 13 | 3.5 | 0.15 | 0.0015 | 0.0008 | 0.0004 | 0.0019 |
| 696 | 15 | 5 | 0.2 | 0.003 | 0.0016 | 0.0007 | 0.0039 | |
| 606 | 17 | 6 | 0.3 | 0.0046 | 0.0025 | 0.0011 | 0.006 | |
| 626 | 19 | 6 | 0.3 | 0.0063 | 0.0034 | 0.0016 | 0.0082 | |
| 636 | 22 | 7 | 0.3 | 0.0108 | 0.0058 | 0.0027 | 0.014 | |
| 687 | 7 | 14 | 3.5 | 0.15 | 0.0017 | 0.0009 | 0.0004 | 0.0022 |
| 697 | 17 | 5 | 0.3 | 0.004 | 0.0022 | 0.001 | 0.0053 | |
| 607 | 19 | 6 | 0.3 | 0.0059 | 0.0032 | 0.0015 | 0.0077 | |
| 627 | 22 | 7 | 0.3 | 0.0098 | 0.0053 | 0.0024 | 0.0127 | |
| 637 | 26 | 9 | 0.3 | 0.0185 | 0.01 | 0.0046 | 0.024 | |
| 688 | 8 | 16 | 4 | 0.2 | 0.0025 | 0.0014 | 0.0006 | 0.0033 |
| 698 | 19 | 6 | 0.3 | 0.0056 | 0.003 | 0.0014 | 0.0072 | |
| 608 | 22 | 7 | 0.3 | 0.0093 | 0.005 | 0.0023 | 0.012 | |
| 628 | 24 | 8 | 0.3 | 0.013 | 0.0072 | 0.0033 | 0.017 | |
| 638 | 28 | 9 | 0.3 | 0.022 | 0.012 | 0.0054 | 0.028 | |
| 689 | 9 | 17 | 4 | 0.2 | 0.0027 | 0.0015 | 0.0007 | 0.0035 |
| 699 | 20 | 6 | 0.3 | 0.0065 | 0.0035 | 0.0016 | 0.0085 | |
| 609 | 24 | 7 | 0.3 | 0.011 | 0.006 | 0.0028 | 0.015 | |
| 629 | 26 | 8 | 0.3 | 0.015 | 0.0081 | 0.0038 | 0.02 | |
| 639 | 30 | 10 | 0.6 | 0.028 | 0.015 | 0.007 | 0.037 | |
| 6800 | 10 | 19 | 5 | 0.3 | 0.004 | 0.0021 | 0.001 | 0.005 |
| 6900 | 22 | 6 | 0.3 | 0.007 | 0.0038 | 0.0017 | 0.009 | |
| 6000 | 26 | 8 | 0.3 | 0.014 | 0.0075 | 0.0035 | 0.018 | |
| 6200 | 30 | 9 | 0.6 | 0.025 | 0.013 | 0.006 | 0.032 | |
| 6300 | 35 | 11 | 0.6 | 0.04 | 0.022 | 0.01 | 0.052 | |
| 6801 | 12 | 21 | 5 | 0.3 | 0.005 | 0.0025 | 0.0012 | 0.006 |
| 6901 | 24 | 6 | 0.3 | 0.008 | 0.0042 | 0.0019 | 0.01 | |
| 16001 | 28 | 7 | 0.3 | 0.015 | 0.0079 | 0.004 | 0.019 | |
| 6001 | 28 | 8 | 0.3 | 0.017 | 0.0092 | 0.004 | 0.022 | |
| 6201 | 32 | 10 | 0.6 | 0.028 | 0.015 | 0.007 | 0.037 | |
| 6301 | 37 | 12 | 1 | 0.046 | 0.025 | 0.012 | 0.06 | |
| 6802 | 15 | 24 | 5 | 0.3 | 0.005 | 0.0029 | 0.0013 | 0.007 |
| 6902 | 28 | 7 | 0.3 | 0.012 | 0.0063 | 0.003 | 0.015 | |
| 16002 | 32 | 8 | 0.3 | 0.021 | 0.011 | 0.005 | 0.027 | |
| 6002 | 32 | 9 | 0.3 | 0.024 | 0.013 | 0.006 | 0.031 | |
| 6202 | 35 | 11 | 0.6 | 0.035 | 0.019 | 0.009 | 0.045 | |
| 6302 | 42 | 13 | 1 | 0.064 | 0.035 | 0.016 | 0.083 | |
| 6803 | 17 | 26 | 5 | 0.3 | 0.005 | 0.0029 | 0.0013 | 0.007 |
| 6903 | 30 | 7 | 0.3 | 0.013 | 0.0071 | 0.0033 | 0.017 | |
| 16003 | 35 | 8 | 0.3 | 0.025 | 0.014 | 0.006 | 0.033 | |
| 6003 | 35 | 10 | 0.3 | 0.032 | 0.017 | 0.008 | 0.041 | |
| 6203 | 40 | 12 | 0.6 | 0.052 | 0.028 | 0.013 | 0.067 | |
| 6303 | 47 | 14 | 1 | 0.087 | 0.047 | 0.022 | 0.11 | |
| 6403 | 62 | 17 | 1.1 | 0.21 | 0.11 | 0.052 | 0.27 | |
| 6804 | 20 | 32 | 7 | 0.3 | 0.013 | 0.007 | 0.003 | 0.017 |
| 6904 | 37 | 9 | 0.3 | 0.028 | 0.015 | 0.007 | 0.037 | |
| 16004 | 42 | 8 | 0.3 | 0.037 | 0.02 | 0.009 | 0.048 | |
| 6004 | 42 | 12 | 0.6 | 0.052 | 0.028 | 0.013 | 0.068 | |
| 6204 | 47 | 14 | 1 | 0.082 | 0.045 | 0.021 | 0.11 | |
| 6304 | 52 | 15 | 1.1 | 0.11 | 0.06 | 0.028 | 0.15 | |
| 6404 | 72 | 19 | 1.1 | 0.31 | 0.17 | 0.08 | 0.4 | |
| 6805 | 25 | 37 | 7 | 0.3 | 0.016 | 0.009 | 0 | 0.021 |
| 6905 | 42 | 9 | 0.3 | 0.032 | 0.018 | 0.01 | 0.042 | |
| 16005 | 47 | 8 | 0.3 | 0.045 | 0.025 | 0.011 | 0.059 | |
| 6005 | 47 | 12 | 0.6 | 0.061 | 0.033 | 0.015 | 0.079 | |
| 6205 | 52 | 15 | 1 | 0.099 | 0.054 | 0.025 | 0.13 | |
| 6305 | 62 | 17 | 1.1 | 0.18 | 0.098 | 0.045 | 0.24 | |
| 6405 | 80 | 21 | 1.5 | 0.41 | 0.22 | 0.102 | 0.53 | |
| 6806 | 30 | 42 | 7 | 0.3 | 0.018 | 0.01 | 0.005 | 0.024 |
| 6906 | 47 | 9 | 0.3 | 0.04 | 0.022 | 0.01 | 0.052 | |
| 16006 | 55 | 9 | 0.3 | 0.067 | 0.036 | 0.017 | 0.087 | |
| 6006 | 55 | 13 | 1 | 0.089 | 0.048 | 0.022 | 0.116 | |
| 6206 | 62 | 16 | 1 | 0.15 | 0.083 | 0.038 | 0.2 | |
| 6306 | 72 | 19 | 1.1 | 0.27 | 0.14 | 0.066 | 0.35 | |
| 6406 | 90 | 23 | 1.5 | 0.57 | 0.31 | 0.14 | 0.74 | |
| 6807 | 35 | 47 | 7 | 0.3 | 0.021 | 0.011 | 0.005 | 0.027 |
| 6907 | 55 | 10 | 0.6 | 0.058 | 0.031 | 0.014 | 0.075 | |
| 16007 | 62 | 9 | 0.3 | 0.082 | 0.045 | 0.021 | 0.11 | |
| 6007 | 62 | 14 | 1 | 0.12 | 0.063 | 0.029 | 0.15 | |
| 6207 | 72 | 17 | 1.1 | 0.22 | 0.12 | 0.055 | 0.28 | |
| 6307 | 80 | 21 | 1.5 | 0.36 | 0.19 | 0.089 | 0.46 | |
| 6407 | 100 | 25 | 1.5 | 0.73 | 0.4 | 0.18 | 0.95 | |
| 6808 | 40 | 52 | 7 | 0.3 | 0.02 | 0.013 | 0.006 | 0.03 |
| 6908 | 62 | 12 | 0.6 | 0.09 | 0.05 | 0.022 | 0.11 | |
| 16008 | 68 | 9 | 0.3 | 0.1 | 0.05 | 0.025 | 0.13 | |
| 6008 | 68 | 15 | 1 | 0.15 | 0.08 | 0.037 | 0.19 | |
| 6208 | 80 | 18 | 1.1 | 0.28 | 0.15 | 0.07 | 0.37 | |
| 6308 | 90 | 23 | 1.5 | 0.49 | 0.27 | 0.12 | 0.64 | |
| 6408 | 110 | 27 | 2 | 0.946 | 0.513 | 0.24 | 1.23 | |
| 6809 | 45 | 58 | 7 | 0.3 | 0.029 | 0.016 | 0.007 | 0.038 |
| 6909 | 68 | 12 | 0.6 | 0.097 | 0.053 | 0.024 | 0.13 | |
| 16009 | 75 | 10 | 0.6 | 0.13 | 0.07 | 0.032 | 0.17 | |
| 6009 | 75 | 16 | 1 | 0.19 | 0.1 | 0.046 | 0.24 | |
| 6209 | 85 | 19 | 1.1 | 0.32 | 0.175 | 0.081 | 0.42 | |
| 6309 | 100 | 25 | 1.5 | 0.64 | 0.345 | 0.16 | 0.83 | |
| 6409 | 120 | 29 | 2 | 1.18 | 0.64 | 0.29 | 1.53 | |
| 6810 | 50 | 65 | 7 | 0.3 | 0.038 | 0.021 | 0.01 | 0.05 |
| 6910 | 72 | 12 | 0.6 | 0.1 | 0.06 | 0.026 | 0.14 | |
| 16010 | 80 | 10 | 0.6 | 0.13 | 0.07 | 0.034 | 0.18 | |
| 6010 | 80 | 16 | 1 | 0.2 | 0.11 | 0.05 | 0.26 | |
| 6210 | 90 | 20 | 1.1 | 0.35 | 0.19 | 0.088 | 0.46 | |
| 6310 | 110 | 27 | 2 | 0.82 | 0.44 | 0.2 | 1.06 | |
| 6410 | 130 | 31 | 2.1 | 1.45 | 0.78 | 0.36 | 1.88 | |
| 6811 | 55 | 72 | 9 | 0.3 | 0.06 | 0.03 | 0.016 | 0.08 |
| 6911 | 80 | 13 | 1 | 0.15 | 0.08 | 0.036 | 0.19 | |
| 16011 | 90 | 11 | 0.6 | 0.2 | 0.11 | 0.049 | 0.26 | |
| 6011 | 90 | 18 | 1.1 | 0.29 | 0.16 | 0.073 | 0.38 | |
| 6211 | 100 | 21 | 1.5 | 0.48 | 0.26 | 0.12 | 0.62 | |
| 6311 | 120 | 29 | 2 | 1.05 | 0.57 | 0.26 | 1.37 | |
| 6411 | 140 | 33 | 2.1 | 1.76 | 0.95 | 0.44 | 2.29 | |
| 6812 | 60 | 78 | 10 | 0.3 | 0.08 | 0.04 | 0.02 | 0.1 |
| 6912 | 85 | 13 | 1 | 0.15 | 0.08 | 0.037 | 0.19 | |
| 16012 | 95 | 11 | 0.6 | 0.22 | 0.12 | 0.054 | 0.28 | |
| 6012 | 95 | 18 | 1.1 | 0.32 | 0.17 | 0.079 | 0.41 | |
| 6212 | 110 | 22 | 1.5 | 0.6 | 0.33 | 0.15 | 0.78 | |
| 6312 | 130 | 31 | 2.1 | 1.32 | 0.72 | 0.33 | 1.72 | |
| 6412 | 150 | 35 | 2.1 | 2.13 | 1.15 | 0.53 | 2.77 | |
| 6813 | 65 | 85 | 10 | 0.6 | 0.1 | 0.05 | 0.025 | 0.13 |
| 6913 | 90 | 13 | 1 | 0.17 | 0.09 | 0.04 | 0.22 | |
| 16013 | 100 | 11 | 0.6 | 0.23 | 0.13 | 0.06 | 0.3 | |
| 6013 | 100 | 18 | 1.1 | 0.34 | 0.18 | 0.08 | 0.44 | |
| 6213 | 120 | 23 | 1.5 | 0.77 | 0.42 | 0.19 | 1 | |
| 6313 | 140 | 33 | 2.1 | 1.62 | 0.88 | 0.41 | 2.11 | |
| 6814 | 70 | 90 | 10 | 0.6 | 0.1 | 0.056 | 0.03 | 0.13 |
| 6914 | 100 | 16 | 1 | 0.27 | 0.15 | 0.07 | 0.35 | |
| 16014 | 110 | 13 | 0.6 | 0.34 | 0.18 | 0.08 | 0.44 | |
| 6014 | 110 | 20 | 1.1 | 0.47 | 0.25 | 0.12 | 0.61 | |
| 6214 | 125 | 24 | 1.5 | 0.84 | 0.45 | 0.21 | 1.09 | |
| 6314 | 150 | 35 | 2.1 | 1.98 | 1.07 | 0.49 | 2.57 | |
| 6815 | 75 | 95 | 10 | 0.6 | 0.11 | 0.06 | 0.029 | 0.15 |
| 6915 | 105 | 16 | 1 | 0.28 | 0.15 | 0.07 | 0.36 | |
| 16015 | 115 | 13 | 0.6 | 0.36 | 0.19 | 0.089 | 0.46 | |
| 6015 | 115 | 20 | 1.1 | 0.5 | 0.27 | 0.12 | 0.65 | |
| 6215 | 130 | 25 | 1.5 | 0.92 | 0.5 | 0.23 | 1.19 | |
| 6816 | 80 | 100 | 10 | 0.6 | 0.12 | 0.063 | 0.03 | 0.15 |
| 6916 | 110 | 16 | 1 | 0.3 | 0.16 | 0.075 | 0.39 | |
| 16016 | 125 | 14 | 0.6 | 0.48 | 0.26 | 0.12 | 0.62 | |
| 6016 | 125 | 22 | 1.1 | 0.67 | 0.36 | 0.17 | 0.87 | |
| 6216 | 140 | 26 | 2 | 1.09 | 0.59 | 0.27 | 1.42 | |
| 6817 | 85 | 110 | 13 | 1 | 0.2 | 0.11 | 0.051 | 0.26 |
| 6917 | 120 | 18 | 1.1 | 0.42 | 0.23 | 0.11 | 0.55 | |
| 16017 | 130 | 14 | 0.6 | 0.5 | 0.27 | 0.13 | 0.65 | |
| 6017 | 130 | 22 | 1.1 | 0.71 | 0.38 | 0.18 | 0.92 | |
| 6217 | 150 | 28 | 2 | 1.35 | 0.73 | 0.34 | 1.76 | |
| 6818 | 90 | 115 | 13 | 1 | 0.21 | 0.12 | 0.05 | 0.28 |
| 6918 | 125 | 18 | 1.1 | 0.45 | 0.24 | 0.11 | 0.59 | |
| 16018 | 140 | 16 | 1 | 0.67 | 0.36 | 0.17 | 0.87 | |
| 6018 | 140 | 24 | 1.5 | 0.92 | 0.5 | 0.23 | 1.19 | |
| 6819 | 95 | 120 | 13 | 1 | 0.23 | 0.12 | 0.057 | 0.3 |
| 6919 | 130 | 18 | 1.1 | 0.46 | 0.25 | 0.12 | 0.6 | |
| 16019 | 145 | 16 | 1 | 0.7 | 0.38 | 0.17 | 0.9 | |
| 6019 | 145 | 24 | 1.5 | 0.95 | 0.51 | 0.24 | 1.23 | |
| 6820 | 100 | 125 | 13 | 1 | 0.24 | 0.13 | 0.06 | 0.31 |
| 6920 | 140 | 20 | 1.1 | 0.64 | 0.35 | 0.16 | 0.83 | |
| 16020 | 150 | 16 | 1 | 0.73 | 0.39 | 0.18 | 0.95 | |
| 6020 | 150 | 24 | 1.5 | 0.99 | 0.54 | 0.25 | 1.29 | |
| 6821 | 105 | 130 | 13 | 1 | 0.25 | 0.14 | 0.06 | 0.32 |
| 6921 | 145 | 20 | 1.1 | 0.66 | 0.36 | 0.16 | 0.86 | |
| 6822 | 110 | 140 | 16 | 1 | 0.38 | 0.21 | 0.1 | 0.5 |
| 6922 | 150 | 20 | 1.1 | 0.69 | 0.37 | 0.17 | 0.89 | |
| 6824 | 120 | 150 | 16 | 1 | 0.41 | 0.22 | 0.1 | 0.54 |

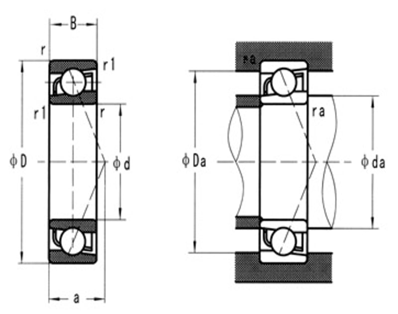
| 角接觸球軸承尺寸表 | ||||||||
| 軸承型號 | 外形尺寸(mm) | 重量(kg)(參考) | ||||||
| d | D | B | r(最小) | |||||
| ZrO2 | Si3N4 | plastic | SUS | |||||
| 7900 | 10 | 22 | 6 | 0.3 | 0.007 | 0.0038 | 0.001 | 0.0091 |
| 7000 | 26 | 8 | 0.3 | 0.014 | 0.0075 | 0.003 | 0.0182 | |
| 7200 | 30 | 9 | 0.6 | 0.025 | 0.013 | 0.004 | 0.0325 | |
| 7300 | 35 | 11 | 0.6 | 0.04 | 0.022 | 0.007 | 0.052 | |
| 7901 | 12 | 24 | 6 | 0.3 | 0.008 | 0.0042 | 0.001 | 0.0104 |
| 7001 | 28 | 8 | 0.3 | 0.017 | 0.0092 | 0.003 | 0.0221 | |
| 7201 | 32 | 10 | 0.6 | 0.028 | 0.015 | 0.005 | 0.0364 | |
| 7301 | 37 | 12 | 1 | 0.046 | 0.025 | 0.008 | 0.0598 | |
| 7902 | 15 | 28 | 7 | 0.3 | 0.012 | 0.0063 | 0.002 | 0.0156 |
| 7002 | 32 | 9 | 0.3 | 0.024 | 0.013 | 0.004 | 0.0312 | |
| 7202 | 35 | 11 | 0.6 | 0.035 | 0.019 | 0.006 | 0.0455 | |
| 7302 | 42 | 13 | 1 | 0.064 | 0.035 | 0.011 | 0.0832 | |
| 7903 | 17 | 30 | 7 | 0.3 | 0.013 | 0.0071 | 0.002 | 0.0169 |
| 7003 | 35 | 10 | 0.3 | 0.032 | 0.017 | 0.006 | 0.0416 | |
| 7203 | 40 | 12 | 0.6 | 0.052 | 0.028 | 0.009 | 0.0676 | |
| 7303 | 47 | 14 | 1 | 0.087 | 0.047 | 0.016 | 0.1131 | |
| 7904 | 20 | 37 | 9 | 0.3 | 0.028 | 0.015 | 0.005 | 0.0364 |
| 7004 | 42 | 12 | 0.6 | 0.052 | 0.028 | 0.009 | 0.0676 | |
| 7204 | 47 | 14 | 1 | 0.082 | 0.045 | 0.015 | 0.1066 | |
| 7304 | 52 | 15 | 1.1 | 0.11 | 0.06 | 0.02 | 0.143 | |
| 7905 | 25 | 42 | 9 | 0.3 | 0.032 | 0.018 | 0.006 | 0.0416 |
| 7005 | 47 | 12 | 0.6 | 0.061 | 0.033 | 0.011 | 0.0793 | |
| 7205 | 52 | 15 | 1 | 0.099 | 0.054 | 0.018 | 0.1287 | |
| 7305 | 62 | 17 | 1.1 | 0.18 | 0.098 | 0.032 | 0.234 | |
| 7906 | 30 | 47 | 9 | 0.3 | 0.04 | 0.022 | 0.007 | 0.052 |
| 7006 | 55 | 13 | 1 | 0.089 | 0.048 | 0.016 | 0.1157 | |
| 7206 | 62 | 16 | 1 | 0.15 | 0.083 | 0.027 | 0.195 | |
| 7306 | 72 | 19 | 1.1 | 0.27 | 0.14 | 0.048 | 0.351 | |
| 7907 | 35 | 55 | 10 | 0.6 | 0.058 | 0.031 | 0.01 | 0.0754 |
| 7007 | 62 | 14 | 1 | 0.12 | 0.063 | 0.022 | 0.156 | |
| 7207 | 72 | 17 | 1.1 | 0.22 | 0.12 | 0.039 | 0.286 | |
| 7307 | 80 | 21 | 1.5 | 0.36 | 0.19 | 0.065 | 0.468 | |
| 7908 | 40 | 62 | 12 | 0.6 | 0.09 | 0.05 | 0.016 | 0.117 |
| 7008 | 68 | 15 | 1 | 0.15 | 0.08 | 0.027 | 0.195 | |
| 7208 | 80 | 18 | 1.1 | 0.28 | 0.15 | 0.05 | 0.364 | |
| 7308 | 90 | 23 | 1.5 | 0.49 | 0.27 | 0.088 | 0.637 | |
| 7909 | 45 | 68 | 12 | 0.6 | 0.097 | 0.053 | 0.017 | 0.1261 |
| 7009 | 75 | 16 | 1 | 0.19 | 0.1 | 0.034 | 0.247 | |
| 7209 | 85 | 19 | 1.1 | 0.32 | 0.175 | 0.057 | 0.416 | |
| 7309 | 100 | 25 | 1.5 | 0.64 | 0.345 | 0.115 | 0.832 | |
| 7910 | 50 | 72 | 12 | 0.6 | 0.1 | 0.06 | 0.018 | 0.13 |
| 7010 | 80 | 16 | 1 | 0.2 | 0.11 | 0.036 | 0.26 | |
| 7210 | 90 | 20 | 1.1 | 0.35 | 0.19 | 0.063 | 0.455 | |
| 7310 | 110 | 27 | 2 | 0.82 | 0.44 | 0.147 | 1.066 | |
| 7911 | 55 | 80 | 13 | 1 | 0.15 | 0.08 | 0.027 | 0.195 |
| 7011 | 90 | 18 | 1.1 | 0.29 | 0.16 | 0.052 | 0.377 | |
| 7211 | 100 | 21 | 1.5 | 0.48 | 0.26 | 0.086 | 0.624 | |
| 7311 | 120 | 29 | 2 | 1.05 | 0.57 | 0.188 | 1.365 | |
| 7912 | 60 | 85 | 13 | 1 | 0.15 | 0.08 | 0.027 | 0.195 |
| 7012 | 95 | 18 | 1.1 | 0.32 | 0.17 | 0.057 | 0.416 | |
| 7212 | 110 | 22 | 1.5 | 0.6 | 0.33 | 0.108 | 0.78 | |
| 7312 | 130 | 31 | 2.1 | 1.32 | 0.72 | 0.237 | 1.716 | |
| 7913 | 65 | 90 | 13 | 1 | 0.17 | 0.09 | 0.031 | 0.221 |
| 7013 | 100 | 18 | 1.1 | 0.34 | 0.18 | 0.061 | 0.442 | |
| 7213 | 120 | 23 | 1.5 | 0.77 | 0.42 | 0.138 | 1.001 | |
| 7313 | 140 | 33 | 2.1 | 1.62 | 0.88 | 0.291 | 2.106 | |
| 7914 | 70 | 100 | 16 | 1 | 0.27 | 0.15 | 0.048 | 0.351 |
| 7014 | 110 | 20 | 1.1 | 0.47 | 0.25 | 0.084 | 0.611 | |
| 7214 | 125 | 24 | 1.5 | 0.84 | 0.45 | 0.151 | 1.092 | |
| 7314 | 150 | 35 | 2.1 | 1.98 | 1.07 | 0.355 | 2.574 | |
| 7915 | 75 | 105 | 16 | 1 | 0.28 | 0.15 | 0.05 | 0.364 |
| 7015 | 115 | 20 | 1.1 | 0.5 | 0.27 | 0.09 | 0.65 | |
| 7215 | 130 | 25 | 1.5 | 0.92 | 0.5 | 0.165 | 1.196 | |
| 7916 | 80 | 110 | 16 | 1 | 0.3 | 0.16 | 0.054 | 0.39 |
| 7016 | 125 | 22 | 1.1 | 0.67 | 0.36 | 0.12 | 0.871 | |
| 7216 | 140 | 26 | 2 | 1.09 | 0.59 | 0.196 | 1.417 | |
| 7017 | 85 | 130 | 22 | 1.1 | 0.71 | 0.38 | 0.127 | 0.923 |
| 7217 | 150 | 28 | 2 | 1.35 | 0.73 | 0.242 | 1.755 | |
| 7918 | 90 | 125 | 18 | 1.1 | 0.45 | 0.24 | 0.081 | 0.585 |
| 7018 | 140 | 24 | 1.5 | 0.92 | 0.5 | 0.165 | 1.196 | |
| 7919 | 95 | 130 | 18 | 1.1 | 0.46 | 0.25 | 0.083 | 0.598 |
| 7019 | 145 | 24 | 1.5 | 0.95 | 0.51 | 0.171 | 1.235 | |
| 7920 | 100 | 140 | 20 | 1.1 | 0.64 | 0.35 | 0.115 | 0.832 |
| 7020 | 150 | 24 | 1.5 | 0.99 | 0.54 | 0.178 | 1.287 | |
| 7921 | 105 | 145 | 20 | 1.1 | 0.66 | 0.36 | 0.118 | 0.858 |
| 7922 | 110 | 150 | 20 | 1.1 | 0.69 | 0.37 | 0.124 | 0.897 |

| 調心球軸承尺寸表 | |||||||
| 軸承型號 | 外形尺寸(mm) | 重量(kg)(參考) | |||||
| d | D | B | r(最小) | ZrO2 | Si3N4 | SUS | |
| 135 | 5 | 19 | 6 | 0.3 | 0.007 | 0.004 | 0.009 |
| 126 | 6 | 19 | 6 | 0.3 | 0.007 | 0.004 | 0.009 |
| 127 | 7 | 22 | 7 | 0.3 | 0.011 | 0.006 | 0.014 |
| 108 | 8 | 22 | 7 | 0.3 | 0.011 | 0.006 | 0.014 |
| 129 | 9 | 26 | 8 | 0.6 | 0.017 | 0.009 | 0.022 |
| 1200 | 10 | 30 | 9 | 0.6 | 0.026 | 0.014 | 0.034 |
| 2200 | 30 | 14 | 0.6 | 0.036 | 0.019 | 0.047 | |
| 1300 | 25 | 11 | 0.6 | 0.045 | 0.024 | 0.058 | |
| 2300 | 25 | 17 | 0.6 | 0.065 | 0.035 | 0.085 | |
| 1201 | 12 | 32 | 10 | 0.6 | 0.031 | 0.016 | 0.04 |
| 2201 | 32 | 14 | 0.6 | 0.041 | 0.022 | 0.053 | |
| 1301 | 37 | 12 | 1 | 0.052 | 0.027 | 0.067 | |
| 2301 | 37 | 17 | 1 | 0.073 | 0.039 | 0.095 | |
| 1202 | 15 | 35 | 11 | 0.6 | 0.038 | 0.02 | 0.049 |
| 2202 | 35 | 14 | 0.6 | 0.046 | 0.025 | 0.06 | |
| 1302 | 42 | 13 | 1 | 0.072 | 0.039 | 0.094 | |
| 2302 | 42 | 17 | 1 | 0.088 | 0.047 | 0.11 | |
| 1203 | 17 | 40 | 12 | 0.6 | 0.056 | 0.03 | 0.073 |
| 2203 | 40 | 16 | 0.6 | 0.068 | 0.036 | 0.088 | |
| 1303 | 47 | 14 | 1 | 0.1 | 0.053 | 0.13 | |
| 2303 | 47 | 19 | 1 | 0.12 | 0.065 | 0.16 | |
| 1204 | 20 | 47 | 14 | 1 | 0.09 | 0.049 | 0.12 |
| 2204 | 47 | 18 | 1 | 0.11 | 0.057 | 0.14 | |
| 1304 | 52 | 15 | 1.1 | 0.13 | 0.067 | 0.16 | |
| 1304 | 52 | 21 | 1.1 | 0.16 | 0.086 | 0.21 | |
| 1205 | 25 | 52 | 15 | 1 | 0.11 | 0.058 | 0.14 |
| 2205 | 52 | 18 | 1 | 0.13 | 0.067 | 0.16 | |
| 1305 | 62 | 17 | 1.1 | 0.2 | 0.11 | 0.26 | |
| 2305 | 62 | 24 | 1.1 | 0.26 | 0.14 | 0.34 | |
| 1206 | 30 | 62 | 16 | 1 | 0.17 | 0.09 | 0.22 |
| 2206 | 62 | 20 | 1 | 0.2 | 0.11 | 0.26 | |
| 1306 | 72 | 19 | 1.1 | 0.3 | 0.16 | 0.39 | |
| 2306 | 72 | 27 | 1.1 | 0.38 | 0.21 | 0.5 | |
| 1207 | 35 | 72 | 17 | 1.1 | 0.25 | 0.13 | 0.32 |
| 2207 | 72 | 23 | 1.1 | 0.31 | 0.17 | 0.4 | |
| 1307 | 80 | 21 | 1.5 | 0.39 | 0.21 | 0.51 | |
| 2307 | 80 | 31 | 1.5 | 0.52 | 0.28 | 0.68 | |
| 1208 | 40 | 80 | 18 | 1.1 | 0.32 | 0.17 | 0.42 |
| 2208 | 80 | 23 | 1.1 | 0.39 | 0.21 | 0.51 | |
| 1308 | 90 | 23 | 1.5 | 0.55 | 0.29 | 0.72 | |
| 2308 | 90 | 33 | 1.5 | 0.71 | 0.38 | 0.93 | |
| 1209 | 45 | 85 | 19 | 1.1 | 0.36 | 0.19 | 0.47 |
| 2209 | 85 | 23 | 1.1 | 0.42 | 0.22 | 0.55 | |
| 1309 | 100 | 25 | 1.5 | 0.74 | 0.39 | 0.96 | |
| 2309 | 100 | 36 | 1.5 | 0.95 | 0.5 | 1.23 | |
| 1210 | 50 | 90 | 20 | 1.1 | 0.4 | 0.22 | 0.53 |
| 2210 | 90 | 23 | 1.1 | 0.45 | 0.24 | 0.59 | |
| 1310 | 110 | 27 | 2 | 0.93 | 0.5 | 1.21 | |
| 2310 | 110 | 40 | 2 | 1.26 | 0.67 | 1.64 | |
| 1211 | 55 | 100 | 21 | 1.5 | 0.54 | 0.29 | 0.71 |
| 2211 | 100 | 25 | 1.5 | 0.62 | 0.33 | 0.81 | |
| 1311 | 120 | 29 | 2 | 1.22 | 0.65 | 1.58 | |
| 2311 | 120 | 43 | 2 | 1.62 | 0.86 | 2.1 | |
| 1212 | 60 | 110 | 22 | 1.5 | 0.69 | 0.37 | 0.9 |
| 2212 | 110 | 28 | 1.5 | 0.84 | 0.45 | 1.09 | |
| 1312 | 130 | 31 | 2.1 | 1.51 | 0.8 | 1.96 | |
| 2312 | 130 | 46 | 2.1 | 2 | 1.07 | 2.6 | |
| 1213 | 65 | 120 | 23 | 1.5 | 0.88 | 0.47 | 1.15 |
| 2213 | 120 | 31 | 1.5 | 1.12 | 0.6 | 1.46 | |
| 1313 | 140 | 33 | 2.1 | 1.88 | 1.01 | 2.45 | |
| 2313 | 140 | 48 | 2.1 | 2.48 | 1.33 | 3.23 | |
| 1214 | 70 | 125 | 24 | 1.5 | 0.97 | 0.52 | 1.26 |
| 2214 | 125 | 31 | 1.5 | 1.17 | 0.62 | 1.52 | |
| 1314 | 150 | 35 | 2.1 | 2.3 | 1.23 | 2.99 | |
| 2314 | 150 | 51 | 2.1 | 3.25 | 1.74 | 4.23 | |
| 1215 | 75 | 130 | 25 | 1.5 | 1.05 | 0.56 | 1.36 |
| 2215 | 130 | 31 | 1.5 | 1.25 | 0.66 | 1.62 | |
| 1216 | 80 | 140 | 26 | 2 | 1.28 | 0.69 | 1.67 |
| 2216 | 140 | 33 | 2 | 1.55 | 0.82 | 2.01 | |
| 1217 | 85 | 150 | 28 | 2 | 1.59 | 0.85 | 2.07 |
| 2217 | 150 | 36 | 2 | 1.94 | 1.03 | 2.52 | |

| 外球面軸承尺寸表 | ||||||||
| 軸承型號 | 外形尺寸 (mm) | 重量(kg)(參考) | ||||||
| d | D | B | S | C | ZrO2 | Si3N4 | SUS | |
| UC201 | 12 | 47 | 31 | 12.7 | 17 | 0.16 | 0.09 | 0.208 |
| UC202 | 15 | 47 | 31 | 12.7 | 17 | 0.15 | 0.08 | 0.195 |
| UC203 | 17 | 47 | 31 | 12.7 | 17 | 0.14 | 0.07 | 0.182 |
| UC204 | 20 | 47 | 31 | 12.7 | 17 | 0.12 | 0.07 | 0.156 |
| UC205 | 25 | 52 | 34.1 | 14.3 | 17 | 0.17 | 0.09 | 0.221 |
| UC206 | 30 | 62 | 38.1 | 15.9 | 19 | 0.27 | 0.14 | 0.351 |
| UC207 | 35 | 72 | 42.9 | 17.5 | 20 | 0.4 | 0.21 | 0.52 |
| UC208 | 40 | 80 | 49.2 | 19 | 21 | 0.54 | 0.29 | 0.702 |
| UC209 | 45 | 85 | 49.2 | 19 | 22 | 0.57 | 0.3 | 0.741 |
| UC210 | 50 | 90 | 51.6 | 19 | 24 | 0.64 | 0.34 | 0.832 |
| UC211 | 55 | 100 | 55.6 | 22.2 | 25 | 0.89 | 0.48 | 1.157 |
| UC212 | 60 | 110 | 65.1 | 25.4 | 27 | 1.2 | 0.64 | 1.56 |
| UC213 | 65 | 120 | 65.1 | 25.4 | 27 | 1.51 | 0.8 | 1.963 |
| UC214 | 70 | 125 | 74.6 | 30.2 | 29 | 1.68 | 0.89 | 2.184 |
| UC215 | 75 | 130 | 77.8 | 33.3 | 30 | 1.86 | 0.99 | 2.418 |
| UC216 | 80 | 140 | 82.6 | 33.3 | 33 | 2.17 | 1.16 | 2.821 |
| UC217 | 85 | 150 | 85.7 | 34.1 | 36 | 2.62 | 1.39 | 3.682 |
| UC218 | 90 | 160 | 96 | 39.7 | 37 | 3.31 | 1.76 | 4.303 |
| UC220 | 100 | 180 | 108 | 42 | 41 | 3.46 | 1.85 | 4.498 |

| 推力球軸承尺寸表 | |||||||||
| 軸承型號 | 外形尺寸(mm) | 重量(kg)(參考) | |||||||
| d | D | T | d1 最大 | D1 最小 | ZrO2 | Si3N4 | plastic | SUS | |
| 51100 | 10 | 24 | 9 | 24 | 11 | 0.015 | 0.0078 | 0.004 | 0.019 |
| 51200 | 26 | 11 | 26 | 12 | 0.022 | 0.011 | 0.005 | 0.028 | |
| 51101 | 12 | 26 | 9 | 26 | 13 | 0.016 | 0.009 | 0.004 | 0.021 |
| 51201 | 28 | 11 | 28 | 14 | 0.024 | 0.013 | 0.006 | 0.031 | |
| 51102 | 15 | 28 | 9 | 28 | 16 | 0.018 | 0.0094 | 0.004 | 0.023 |
| 51202 | 32 | 12 | 32 | 17 | 0.033 | 0.018 | 0.008 | 0.043 | |
| 51103 | 17 | 30 | 9 | 30 | 18 | 0.019 | 0.01 | 0.004 | 0.025 |
| 51203 | 35 | 12 | 35 | 19 | 0.038 | 0.021 | 0.009 | 0.05 | |
| 51104 | 20 | 35 | 10 | 35 | 21 | 0.028 | 0.015 | 0.007 | 0.037 |
| 51204 | 40 | 14 | 40 | 22 | 0.059 | 0.032 | 0.014 | 0.077 | |
| 51105 | 25 | 42 | 11 | 42 | 26 | 0.043 | 0.023 | 0.01 | 0.056 |
| 51205 | 47 | 15 | 47 | 27 | 0.085 | 0.046 | 0.02 | 0.11 | |
| 51106 | 30 | 47 | 11 | 47 | 32 | 0.049 | 0.026 | 0.011 | 0.064 |
| 51206 | 52 | 16 | 52 | 32 | 0.11 | 0.056 | 0.026 | 0.14 | |
| 51107 | 35 | 52 | 12 | 52 | 37 | 0.062 | 0.033 | 0.014 | 0.081 |
| 51207 | 62 | 18 | 62 | 37 | 0.16 | 0.086 | 0.037 | 0.21 | |
| 51108 | 40 | 60 | 13 | 60 | 42 | 0.092 | 0.049 | 0.021 | 0.12 |
| 51208 | 68 | 19 | 68 | 42 | 0.21 | 0.11 | 0.049 | 0.27 | |
| 51109 | 45 | 65 | 14 | 65 | 47 | 0.11 | 0.059 | 0.026 | 0.14 |
| 51209 | 73 | 20 | 73 | 47 | 0.24 | 0.13 | 0.056 | 0.31 | |
| 51110 | 50 | 70 | 14 | 70 | 52 | 0.12 | 0.063 | 0.028 | 0.15 |
| 51210 | 78 | 22 | 78 | 52 | 0.29 | 0.16 | 0.068 | 0.38 | |
| 51111 | 55 | 78 | 16 | 78 | 57 | 0.17 | 0.093 | 0.04 | 0.23 |
| 51211 | 90 | 25 | 90 | 57 | 0.46 | 0.25 | 0.107 | 0.6 | |
| 51112 | 60 | 85 | 17 | 85 | 62 | 0.22 | 0.12 | 0.051 | 0.28 |
| 51212 | 95 | 26 | 95 | 62 | 0.52 | 0.28 | 0.121 | 0.67 | |
| 51113 | 65 | 90 | 18 | 90 | 67 | 0.25 | 0.13 | 0.058 | 0.32 |
| 51213 | 100 | 27 | 100 | 67 | 0.58 | 0.31 | 0.135 | 0.76 | |
| 51114 | 70 | 95 | 18 | 95 | 72 | 0.27 | 0.14 | 0.063 | 0.35 |
| 51214 | 105 | 27 | 105 | 72 | 0.61 | 0.33 | 0.142 | 0.79 | |
| 51115 | 75 | 100 | 19 | 100 | 77 | 0.3 | 0.16 | 0.07 | 0.39 |
| 51215 | 110 | 27 | 110 | 77 | 0.65 | 0.35 | 0.152 | 0.85 | |
| 51116 | 80 | 105 | 19 | 105 | 82 | 0.32 | 0.17 | 0.075 | 0.42 |
| 51216 | 115 | 28 | 115 | 82 | 0.72 | 0.38 | 0.168 | 0.93 | |
| 51117 | 85 | 110 | 19 | 110 | 87 | 0.34 | 0.18 | 0.079 | 0.44 |
| 51217 | 125 | 31 | 125 | 88 | 0.94 | 0.5 | 0.219 | 1.2 | |
| 51118 | 90 | 120 | 22 | 120 | 92 | 0.5 | 0.27 | 0.117 | 0.6 |
| 51218 | 135 | 35 | 135 | 93 | 1.3 | 0.69 | 0.303 | 1.69 | |
| 51120 | 100 | 135 | 25 | 135 | 102 | 0.74 | 0.39 | 0.173 | 0.96 |
| 51220 | 150 | 38 | 150 | 103 | 1.73 | 0.92 | 0.404 | 2.25 | |
| 51122 | 110 | 145 | 25 | 145 | 112 | 0.8 | 0.43 | 0.187 | 1.04 |
| 51124 | 120 | 155 | 25 | 155 | 122 | 0.86 | 0.46 | 0.201 | 1.12 |

| 英制軸承尺寸表 | ||||||||||
| 軸承型號 | 外形尺寸(mm/in) | 重量(kg)(參考) | ||||||||
| d | D | B | ZrO2 | Si3N4 | plastic | SUS | ||||
| m m | in | m m | in | m m | in | |||||
| 1601 | 4.763 | 3/16 | 17.463 | 11/16 | 6.35 | 1/4 | 0.0038 | 0.0021 | 0.0009 | 0.005 |
| 1602 | 6.35 | 1/4 | 17.463 | 11/16 | 6.35 | 1/4 | 0.0046 | 0.0025 | 0.0011 | 0.006 |
| 1603 | 7.938 | 5/16 | 22.225 | 7/8 | 7.144 | 9/32 | 0.0085 | 0.0045 | 0.002 | 0.011 |
| 1604 | 9.525 | 3/8 | 22.225 | 7/8 | 7.144 | 9/32 | 0.01 | 0.0053 | 0.0023 | 0.013 |
| 1605 | 7.938 | 5/16 | 23.019 | 29/32 | 7.938 | 5/16 | 0.0031 | 0.0016 | 0.0007 | 0.004 |
| 1606 | 9.525 | 3/8 | 23.019 | 29/32 | 7.938 | 5/16 | 0.0115 | 0.0062 | 0.0027 | 0.015 |
| 1607 | 11.113 | 7/16 | 23.019 | 29/32 | 7.938 | 5/16 | 0.0123 | 0.0066 | 0.0029 | 0.016 |
| 1614 | 9.525 | 3/8 | 28.575 | 11/8 | 9.525 | 3/8 | 0.022 | 0.0117 | 0.0051 | 0.0286 |
| 1615 | 11.113 | 7/16 | 28.575 | 1 1/8 | 9.525 | 3/8 | 0.0205 | 0.011 | 0.0048 | 0.0267 |
| 1616 | 12.7 | 1/2 | 28.525 | 11/8 | 9.525 | 3/8 | 0.19 | 0.1013 | 0.0443 | 0.247 |
| 1620 | 11.113 | 7/16 | 34.925 | 1 3/8 | 11.113 | 7/16 | 0.04 | 0.0213 | 0.0093 | 0.052 |
| 1621 | 12.7 | 1/2 | 34.925 | 1 3/8 | 11.113 | 7/16 | 0.0377 | 0.0201 | 0.0088 | 0.049 |
| 1622 | 14.288 | 9/16 | 34.925 | 1 3/8 | 11.113 | 7/16 | 0.0357 | 0.019 | 0.0083 | 0.0464 |
| 1623 | 15.875 | 5/8 | 34.925 | 1 3/8 | 11.113 | 7/16 | 0.0332 | 0.0177 | 0.0078 | 0.0432 |
| 1628 | 15.875 | 5/8 | 41.275 | 1 5/8 | 12.7 | 1/2 | 0.0606 | 0.0323 | 0.0141 | 0.0788 |
| 1630 | 19.05 | 3/4 | 41.275 | 1 5/8 | 12.7 | 1/2 | 0.0599 | 0.032 | 0.014 | 0.0779 |
| 1633 | 15.875 | 5/8 | 44.45 | 1 3/4 | 12.7 | 1/2 | 0.0769 | 0.041 | 0.0179 | 0.1 |
| 1635 | 19.05 | 3/4 | 44.45 | 1 3/4 | 12.7 | 1/2 | 0.0703 | 0.0375 | 0.0164 | 0.0914 |
| R2 | 3.175 | 1/8 | 9.525 | 3/8 | 3.967 | 5/32 | 0.0011 | 0.0006 | 0.0003 | 0.0014 |
| R2A | 3.175 | 1/8 | 12.7 | 1/2 | 4.366 | 11/64 | 0.0022 | 0.0012 | 0.0005 | 0.0029 |
| R3 | 4.763 | 3/16 | 12.7 | 1/2 | 3.967 | 5/32 | 0.0018 | 0.001 | 0.0004 | 0.0024 |
| R4 | 6.35 | 1/4 | 15.875 | 5/8 | 4.987 | 10/51 | 0.0035 | 0.0019 | 0.0008 | 0.0046 |
| R4A | 6.35 | 1/4 | 19.05 | 3/4 | 5.556 | 7/32 | 0.0054 | 0.0029 | 0.0013 | 0.007 |
| R6 | 9.525 | 3/8 | 22.225 | 7/8 | 5.556 | 7/32 | 0.0085 | 0.0045 | 0.002 | 0.011 |
| R8 | 12.7 | 1/2 | 28.575 | 1 1/8 | 6.35 | 1/4 | 0.0108 | 0.0057 | 0.0025 | 0.014 |
| R10 | 15.875 | 5/8 | 34.925 | 1 3/8 | 7.144 | 9/32 | 0.0215 | 0.0115 | 0.005 | 0.028 |
| R12 | 19.05 | 3/4 | 41.275 | 1 5/8 | 7.938 | 5/16 | 0.0323 | 0.0172 | 0.0075 | 0.042 |
| R14 | 22.225 | 7/8 | 47.625 | 1 7/8 | 9.525 | 3/8 | 0.0554 | 0.0295 | 0.0129 | 0.072 |
| R16 | 25.4 | 1 | 50.8 | 2 | 9.525 | 3/8 | 0.0654 | 0.0349 | 0.0153 | 0.085 |
| R18 | 28.575 | 1 1/8 | 53.975 | 2 1/8 | 9.525 | 3/8 | 0.0654 | 0.0349 | 0.0153 | 0.085 |
| R20 | 31.75 | 1 1/4 | 57.15 | 2 1/4 | 9.525 | 3/8 | 0.0638 | 0.0341 | 0.0149 | 0.083 |
| R22 | 34.925 | 1 3/8 | 63.5 | 2 1/2 | 11.113 | 7/16 | 0.1038 | 0.0554 | 0.0242 | 0.135 |
| R24 | 38.1 | 1 1/2 | 66.675 | 2 5/8 | 11.113 | 7/16 | 0.1108 | 0.0591 | 0.0258 | 0.144 |